Поиск подходов к исследованию
Елена Ивановна Рерих писала: «Всеначальная, Огненная энергия — едина, и все наименования, как энергия огненная, сердечная, мыслительная и психическая суть различные аспекты одной и той же основной энергии Всеначальной». Ввиду исключительности положения, которое занимает психическая энергия в структуре Мироздания, являясь тончайшей основой всех материальных объектов, известных энергий и живых существ, возникает необходимость основательного исследования её свойств и известных форм проявления.
Среди наук, которые могут внести свой вклад в понимание психической энергии, особое место отводится биохимии. Внимание учёных-биохимиков обращено на поиск материальных отложений психической энергии. Сегодня в научной литературе много говорится о том, что каждая энергия, порождённая различными человеческими эмоциями, даёт особую вибрацию, ритм, формирующие в человеческом организме специфические кристаллы, которые могут быть как благодетельными, так и разрушительными в зависимости от того — какими мыслями и эмоциями сопровождалось их возникновение. Делаются попытки научно обосновать связь духовного с материальным и доказать, что нравственный и моральный образ жизни имеет под собой чисто практическую, мы бы сказали, «биологическую основу».
Учение Живой Этики указывает на механизм возникновения различных отложений в организме человека: «Каждое движение приобретает ритм, так энергия даёт свои рисунки и кристалл. Последовательность ритма возбуждает нервное истечение». Так, кристаллом психической энергии будет благодать, тибетское РИНГСЭ, которое несёт человеку здоровье, счастье, одухотворение. И антиподом ему будет империл — яд, кристалл раздражения, откладывающийся на стенках нервных каналов и отравляющий весь организм. Выявление этих материальных субстратов тончайших энергий является одной из первостепенных задач биохимии.
В настоящее время в пространстве СНГ уже имеются отдельные исследователи и исследовательские группы, работающие над этой задачей. Очень интересные результаты получены в ходе научно-поисковой работы, выполненной на Украине в г.Хмельницком. Будем надеяться, что выдвинутые этими исследователями предположения о том, что аналогом кристалла империла в организме человека являются соли мочевой кислоты, а аналогом кристаллов психической энергии являются гранулы липофусцина, скоро будут научно доказаны.
Другими экспериментаторами применяются методы биохимического анализа для изучения материальных отложений психической энергии в организме человека. Среди этих методов можно назвать исследование белкового состава слюны посредством электрофореза, проводимое в городе Витебске. Важная работа проводится эстонскими исследователями.
Слюна радости
Слюна раздражения
В нашей лаборатории НИЛИПЭ начато изучение выделений желёз (слюны и слёз) при различных эмоциональных состояниях. В основу исследований положен морфологический анализ видимых структур в секрециях. Для начала, в целях идентификации состава слюны и слезы, были проработаны известные нам по литературе данные по клиническим лабораторным исследованиям, но никаких закономерностей по данным выделениям нет. Трудно было идентифицировать структуры, не имеющие описания в руководствах. Тогда мы прибегли к эмпирической классификации. Наше внимание привлекла статья Джирла Уолкера в журнале «В мире науки» №9 за 1986 год. Она называется «Необычные фигуры, появляющиеся в замерзающей воде и плавящемся льду». В статье говорится следующее: «В 1858 г. английский физик Джон Тиндаль, известный своими работами в области акустики, обнаружил, что если лёд освещается ярким солнечным светом, он может таять изнутри, а его поверхность остаётся замёрзшей. Области внутреннего таяния могут принимать овальную форму, формы гексагональной симметрии типа снежинок, форму листьев папоротника. Тиндаль назвал эти формы "жидкими цветами", а сейчас их называют "фигурами Тиндаля". Но были обнаружены и цветы с двенадцатью лепестками. Остаётся неясным, как могла возникнуть симметрия двенадцатого порядка, если кристалл льда обладает симметрией только шестого порядка. <...> Все фигуры Тиндаля образуются, по-видимому, в тех местах, где имеются дефекты кристалла льда или содержатся примеси. Неоднородность таких областей увеличивает поглощение света, что приводит к таянию. Однако механизм образования фигур Тиндаля пока ещё понят плохо».
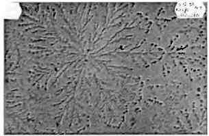
Слеза молитвы
Слеза обиды
При проведении исследований мы применяли микроскоп «Биолам Р-16» с микрофотонасадкой, позволяющий при анализе препаратов получать фотографии различных структур, наблюдаемых в слюне и слезах. Опытным путём было установлено оптимальное увеличение препаратов в 650 раз. Всего было исследовано более 240 образцов и сделано 190 фотоснимков. Выявлены структуры, зависимые от эмоционального состояния человека, чья слюна или слёзы исследуются, названные нами «папоротниками». Они оказались весьма похожими на «фигуры Тиндаля». Показательным является то, что чем возвышеннее было эмоциональное состояние человека перед получением пробы препарата от него, тем симметричнее оказывались разветвления в структуре «папоротника» и, более того, в препаратах слёз структуры выстраивались в ажурный узор, похожий на цветы.
На полученных нами снимках слёз мы обнаружили, что в состоянии ОТЧАЯНИЯ в структуре их наблюдается «папоротник» в виде отдельных разветвлённых узоров, в состоянии ОБИДЫ — «папоротник» в виде «крестов» и мелких разветвлений, а также мелкие цветы с четырьмя лепестками, при ПОДАВЛЕННОСТИ — «папоротник» имеет вид снежинок, при МОЛИТВЕ — вид гармонично сотканных ажурных узоров или многолепестковых цветов. Причём, цветы имеют от шести и более разветвлений, т.е. сложноцветные.
Снимки образцов слюны показали, что в состоянии РАЗДРАЖЕНИЯ — «папоротник» обычный и с утолщёнными ветвями возле так называемого инородного тела. В состоянии ГОРЯ — «папоротник» утолщается на конце ветви. При РАВНОВЕСИИ, СПОКОЙСТВИИ - «папоротник» обычный папоротник с утолщением ветви. При ОБЩЕНИИ — «папоротник» имеет вид снежинок, выявлено инородное тело и вокруг него зернистость, появляются кристаллы квадратной и прямоугольной формы.
Нашим выводом из наблюдений перечисленных снимков является то, что чем возвышеннее было эмоциональное состояние человека, тем симметричнее оказывались разветвления в структуре «папоротника». И более наглядно это демонстрируют препараты слёз.
Если дальнейшие исследования подтвердят замеченные корреляции между характерными эмоциями и соответствующими им формами кристаллов, обнаруживаемых в выделениях желёз, то можно будет обратить особое внимание на определение самих веществ, образующих данные кристаллы, и изучить, посредством каких механизмов они синтезируются в организме. Открывается широкая перспектива исследования тончайших энергий и их влияния на психику и здоровье человека. Конечно, человеческий организм является самым чутким аппаратом, но пока очень мало данных о воздействии на него тонких энергий. Экстрасенсы апеллируют к своим ощущениям, последние не всегда верно трактуются ими. В наших исследованиях мы надеемся найти метод, посредством которого удастся объективно фиксировать тонкие изменения, происходящие в организме человека.
- Ваши рецензии




_20.06.2002/poisk_podhodov_k_issledovaniyu/image001.jpg)
_20.06.2002/poisk_podhodov_k_issledovaniyu/image002.jpg)
_20.06.2002/poisk_podhodov_k_issledovaniyu/image003.jpg)
_20.06.2002/poisk_podhodov_k_issledovaniyu/image004.jpg)